当前位置: 首页  专利展示 | 一种用于阿托伐他汀中间体检测的气相色谱装置

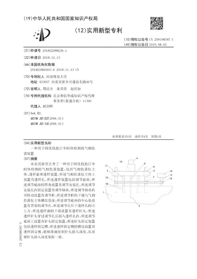
一种用于阿托伐他汀中间体检测的气相色谱装置

发布时间: 2019-09-11     浏览次数: 181


伟德官网下载苹果版    |     科技处    |     图书馆    |     党办    |     组织部    |     宣传部
版权所有:伟德官网下载苹果版科技处 负责人:王老师
联系电话:0373-3326218 地址:伟德官网下载苹果版文科楼3楼
Baidu
伟德源自英国始于1946